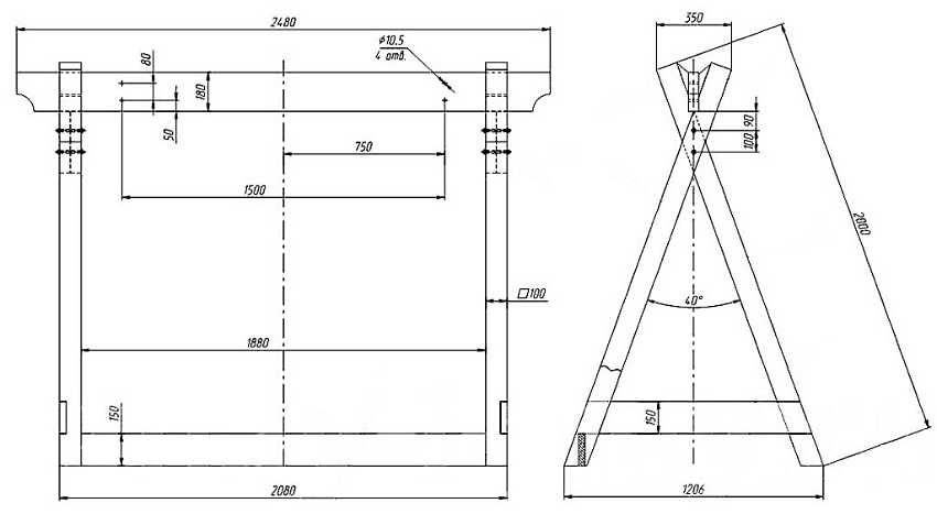
Деталировка.
Столкнулся с неприятным моментом. Попробовал создать карту кроя фанерных деталей с помощью программы ОпиНест. Туловище лошадки прорисовано сплайном. Оказалось ОптиНест не распознает такие фигуры. Или может я что не так делал. Не стал сильно с этим заморачиваться. Обвел «туловище» ломаной линией из прямых отрезков. Для создания примерной карты кроя пойдет. Главное определиться какой кусок фанеры нужен для одной лошадки-качалки, и сколько лошадок поместится на стандартный лист фанеры. Потом уже в реальной карте кроя подставить сплайновую деталь.
Итак. Для изготовления одной лошадки качалки нужен кусок фанеры примерно 700 на 1250 мм
А из листа фанеры возможно изготовить четыре лошадки-качалки.
Собственно на данном этапе пока все. Пункты 4, 5, 6 пока откладываются.
Хочу еще раз подчеркнуть, что это все еще на стадии тест-проекта. Возможно, с первого раза не все выйдет. Уверен, что со второго раза точно будет лучше))) Старался учесть все моменты. Смог ли? Это покажет только реализация.
Кто хочет/может поучаствовать в создании – вышлю файлы. От Вас ссылка на автора и фото-отчет.
Так уж совпало, что новый год по восточному календарю – год лошади. Так что этот проект – подарок всем посетителям сайта! С наступающим! С наступившим! В скором будущем выложу чертежи, рабочие файлы лошадки-качалки. Следите за новостями))) Да! Названия данному проекту еще нет. У кого какие идеи???
Уважаемые посетители сайта «SAMODELKINDRUG» в представленном материале будет подробно показано, как своими руками сделать «лошадку-качалку» своими руками. На сегодняшний день в детских магазинах просто неимоверное множество различных игрушек, на любой каприз вашего ребенка. Но цены не всегда радуют родителей, потому как наценка на детские товары, сами знаете какая. Так вот чтоб сэкономить семейные деньги и порадовать своего любимого ребенка, автор решил сделать лошадку-качалку своими руками.
Для этого мастеру понадобилось минимум материала, который он прикупил в строительном магазине: мебельный щит за 650 р, черенок 50 р, столярный клей 100 р. Так же можно использовать слоеную фанеру, наверняка у многих имеются данные составляющие и без покупки, а значит игрушку ребенку вы сможете сделать абсолютно бесплатно. Давайте же рассмотрим что конкретно понадобилось мастеру, а так же все этапы создания качалки.
Материалы
- мебельный щит
- черенок (от лопаты)
- столярный клей
- деревянные чопики
Инструменты
- электролобзик
- дрель
- кисть
- лекало
- линейка
- карандаш
И так первым делом были сделаны чертежи, но предварительно автору пришлось поискать их по интернету. Далее мастер сделал лекало с данных чертежей и перевел на газету. После лекало накладывается на мебельный щит и обводится контур. Затем мастер выпиливает из щита, составляющие общей конструкции будущей игрушки. И вот все детали выпилены. Далее автор скрепляет заготовки, для их последующего кромления. Так же в заготовках были проделаны отверстия. Наступил момент сборки всех заготовок в единую конструкцию.Крепится сидение.После того как места соединения просохли, можно и испытать Поскакали!!!Плановые испытания прошли успешно!И вот боевого коня, оставили немного отдохнуть под елочкой.Вот такая вот замечательная лошадка получилась у нашего автора, ребенок мастера очень доволен игрушкой и играет с ней теперь каждый день. Как видите, нечего сложного то нет, при желании можете сделать своему ребенку такую же и при этом неплохо сэкономить. Если вам понравился данный материал, то милости просим к нам в группу
В магазинах можно встретить огромное количество всевозможных детских качалок, таких, как классические люльки, качалки-животные, например, лошадки, а также качалки, изображающие полюбившихся героев из детских сказок.
Можно и нужно, потому что процесс изготовления не трудоёмкий и очень увлекательный. Вам потребуется только желание. Подходите к изготовлению качалки творчески, не бойтесь экспериментов. Изготовленные детские качалки своими руками будут отличаться высоким качеством, надежностью, оригинальностью, а также невысокой стоимостью, по сравнению с приобретенными в магазине.
Этапы изготовления конструкции
Чтобы упростить процесс изготовления, необходимо выполнять последовательно все этапы
Тогда не будет упущено ничего важного и будет затрачено намного меньше времени. Лошадка-качалка деревянная изготавливается достаточно просто и быстро
- На фанеру переносятся все детали по отдельности в необходимом количестве. Делается это при помощи копирки и карандаша.
- После разметки все элементы выпиливаются лобзиком.
- Вырезанные детали примеряются. При необходимости можно некоторые части подрезать или подредактировать, чтобы лошадка-качалка была прочной и все отверстия идеально подходили к элементам.
- Сначала соединяются части туловища, спинки и седла коня.
- Затем собранную конструкцию прикрепляют к проножкам и прочно скрепляют шиповыми отверстиями.
- Последним этапом является отделка. Здесь можно вовсю проявить фантазию. Вариантов может быть множество: покраска, обивка, оклейка, роспись, выжигание. Все зависит от возможностей и пожеланий.
При желании можно изменять количество и вид основных элементов. Но предварительно нужно хорошо продумать конструкцию, чтобы она была удобной для ребенка и устойчивой.
Достоинства коня качалки
Купив лошадку своему ребёнку, можно быть уверенным, что он не потеряет свой интерес и не забросит её в дальний угол, как это нередко происходит со многими новыми игрушками. Забав так много, что дети быстро теряют к ним интерес, лошадь из дерева — одно из редких исключений. Пик популярности качалки приходится на 2-3 года. Дети в этом возрасте так сильно привязываются к своей лошадке, что могут укладывать её спать, кормить её сладким, часами расчёсывать и заплетать длинную гриву.
Качалка лошадь — хороший тренажёр для малыша, он поддерживает в норме вестибулярный аппарат, развивая его, а также улучшает такие полезные навыки, как ловкость и мелкую моторику ручек — на деревянном коне ещё нужно суметь удержаться. Врачи рекомендуют эту игрушку детям с заболеваниями, связанными с опорно-двигательным аппаратом.Существует ещё одна разновидностей игрушечных коней — лошадка каталка. Вместо двух дуг к ногам у неё прикреплены колёса, так что малыш должен отталкиваться своими ножками, чтобы передвигаться. Фактически это самокат с сиденьем.
Качели из автопокрышек
Автомобильные покрышки достаточно прочны, но хорошо режутся. Самое примитивное применение автопокрышки похоже на тарзанку: покрышка в вертикальном положении привязывается к ветке верёвкой, в такой качели можно сидеть. Но такое сиденье не очень удобно, и вид его не эстетичен. Это ещё не причина отказываться от использования автопокрышек.

Гораздо лучше выглядит качель из автопокрышки, привязанной горизонтально на три-четыре цепи. В покрышке на равном расстоянии друг от друга сверлятся четыре или три отверстия, в каждое из которых вставляется рым и крепится гайкой. Между рымом и сидушкой (и между гайкой и сидушкой) полезно проложить широкие шайбы. Верёвки (или цепи) сводятся вместе к опоре в одной точке на стальное кольцо.


Отрезанную от автопокрышки полосу применяют вместо доски, как описано выше. В этом случае к краям полосы из покрышки крепятся «ушки», за которые держится канат или зацепляется карабин с цепью.

Из покрышек можно делать разнообразные формы для качели
О материалах
Кресла-качалки изготавливаются преимущественно из дерева. Металл, при всей его технологичности, малоотходности и большей стойкости на открытом воздухе, слишком тяжел. Влияние кресла на общий ЦТ оказывается значительным, момент инерции системы большим и, как следствие, покачивание слишком резким. Или приходится задавать предельно малое начальное возвышение ЦО над ЦТ, рискуя, что под кем-то качалка опрокинется. Впрочем, к металлическим качалкам мы еще вернемся в ходе рассмотрения отдельных образцов.
Использование фанеры для изготовления кресла-качалки
Совсем другое дело – фанера, особенно для начинающих столяров. Во-первых, выполняя детали качалки 3-слойными клееными, можно только с помощью электролобзика делать точные и прочные соединения шип-паз, слева на рис., если соблюдать след. правила:
- Фанеру среднего слоя берут вдвое толще, чем для крайних. Напр., если нужна общая толщина 20 мм, то клеят 5-10-5 мм.
- Собирают детали из заготовок на 2-компонентном водостойком клею. Если на ПВА – обязательно подкрепляют мелкими гвоздями.
- Соединения собирают с проклеиванием (расклинивание в данном случае недопустимо) и подкрепляют диагональными парами саморезов с 2-х сторон.
- Опорные поверхности защищают накладками из тонкой (6-10 мм) рейки твердого прочного дерева или плотной листовой резиной толщиной 4-5 мм. Фанера под сосредоточенной нагрузкой очень хорошо колется с торца.
Во-вторых, фанера дает возможности применять нестандартные технические решения, напр. как справа на рис. Такую качалку-чашу из фанеры можно сделать, пользуясь опять-таки только электролобзиком. Удобство – высокое, устойчивость абсолютная, и может служить подвесным креслом-гамаком или креслом-качелями. Толщина досок-ламелей от 12 мм; соединительных полушайб на полюсах – от 24 мм.
Как ставить накладки
Износостойкие деревянные накладки на полозья кресла-качалки устанавливаются след. образом:
-
Переворачиваем кресло полозьями вверх;
- Планку-заготовку основательно греем строительным феном;
- Укладываем заготовку на полоз и туго приматываем по всей длине х/б тесьмой. Не обожгитесь, дерево очень горячее!
- Так же прихватываем вторую заготовку на другой полоз;
- По полном остывании планок бандажи из тесьмы снимаем и клеим накладки ПВА по дереву или 2-компонентным клеем;
- Концы планок прикрепляем мелкими гвоздями до плотного прилегания накладок по всей длине. Под шляпки гвоздей подкладываем шайбы или кусочки фанеры;
- По полном высыхании клея (2-3 суток) временный крепеж удаляем. Сверлим глухие отверстия под саморезы и крепим концы окончательно;
- Лунки с головками крепежа затираем шпаклевкой из опилок того же дерева, густо замешанных на ПВА.
Необходимые материалы
Перечень будет зависеть в большей степени от выбранного шаблона и типа качалки, но чаще всего необходимо подготовить:
- ксерокопию выбранного шаблона;
- карандаш и копировальную бумагу — с ее помощью рисунок будет переводиться на фанеру;
- стол для выпиливания и лобзик;
- шило;
- клей с кисточкой;
- краску и кисти для отделки.
Лошадка-качалка хорошо влияет на вестибулярный аппарат ребенка, способствуя его правильному развитию. Для изготовления детской игрушки нужно использовать исключительно экологичные и гипоаллергенные материалы. Добавить лошадке натуральности поможет меховая обивка, желательно предварительно под ней расположить поролон или другой мягкий материал.
Тщательно продуманная конструкция позволит создать качественную, безопасную и долговечную игрушку, на которой ребенок будет с удовольствием проводить время.
Игрушка качалка своими руками
Мало кто из нас в детстве не мечтал о такой игрушке. Нередко такие игрушечные кони были в детском саду, и порой дети чуть ли не дрались, споря, чья очередь играть. Сейчас детская лошадка снова становится популярной, поэтому она будет отличным подарком для ребёнка. По своей конструкции игрушка достаточно проста, поэтому вам не составит труда собрать её самостоятельно. Используемые материалы во многом зависят от типа игрушки и выбранной схемы, но чаще всего используются:
- лист фанеры или деревянные доски;
- копия шаблона;
- копировальная бумага, чтобы переводить выкройку на фанеру или дерево;
- стол;
- лобзик;
- шило;
- клей, краска, набор кистей.
При изготовлении лошадки используйте только экологически чистые и гипоаллергенные материалы. Особенно это касается красок и клея. Коня можно дополнительно украсить обивкой из синтетического меха, но в этом случае не забудьте о поролоновой прослойке, чтобы малышу было мягко сидеть.
Как сделать фанерную лошадку?
Выбранный чертеж следует увеличить в необходимое количество раз, в зависимости от возраста и роста ребёнка. Чаще всего схему увеличивают в 8-10 раз для детей 4-5 лет, соответственно.Классическая фанерная лошадка состоит из 7 деталей — обязательно пронумеруйте их, чтобы было понятно, где какой элемент крепится. Вот эти детали:
- Две одинаковые боковинки лошадки;
- Большая цельная деталь с головой и хвостом коня, которая помещается между боковинами;
- Две планки, с помощью которых игрушка дополнительно укрепляется снизу;
- Одна распорка, которая устанавливается в задней части качалки и соединяет боковины со средней деталью. На распорку сверху ставится седло;
- Сиденье;
- Стремена — 2 детали, прикрепляющиеся к седлу с помощью ремней (для чего в сидении должны быть предусмотрены пазы);
- Одна распорка для передней части лошадки — крепится по тому же принципу, что и аналогичная задняя деталь.
Как сделать лошадь качалку из дерева?
Основа лошадки из дерева состоит из 4 деталей — двух плоских закруглённых боковин и двух промежуточных досок, необходимых для укрепления всей игрушки сверху и снизу. Помимо этого, игрушечной лошади нужна голова, а ребёнку — седло со спинкой и рейки, чтобы упираться в них ногами во время игры. В качестве исходного материала хорошо подойдут гладкие сосновые или еловые доски от 2 см толщиной.
Учитывайте размеры игрушки — малышу должно быть комфортно забираться на неё, сидеть и качаться. Усреднённые размеры таковы:
- длина — 110 см;
- ширина — от 25 до 30 см;
- высота от пола до седла — 60 см.
Учтите, что окружность боковин не должна быть полукруглой — такая игрушка будет раскачиваться слишком сильно, на ней легко перевернуться и упасть. Изгиб боковых перекладин должен быть более плавным — лодочкой, такой конь будет более устойчивым.
Итак, боковые доски соединяются первыми с помощью клея холодного отверждения. Чтобы деревянные детали сцепились друг с другом, используйте высокое давление — прижмите доски друг к другу струбциной. Когда боковины вырезаны, необходимо прикрепить к ним с внутренней стороны толстые рейки. Ширина каждой рейки — от 8 до 12 см. Внутреннюю доску нужно выпиливать с учётом их величины.
Верхнюю доску вместе с опорной необходимо смазать вдоль кромок клеем и соединить с боковыми деталями игрушки шурупами.
Рейки-опоры для ног приклеиваются к боковинам игрушки. Чтобы детали держались крепко, необходимо закрепить их шурупами.
Голова коня вырезается отдельно из толстой доски (не менее 3 см). Её можно украсить, приклеив к ней глаза и ушки лошади. Гриву можно сделать из кожаных обрезков, пряжи, кистей или большого количества верёвок. В крайнем случае её можно просто нарисовать краской.
Для изготовления седла лучше использовать деревянную доску достаточной толщины — не тоньше 2 см. Для удобства деталь должна закругляться сверху. Чтобы ребёнку было удобнее кататься, сидя на коне, обейте седло поролоном и обшейте тканью или кожей. Деталь крепится к лошадке шурупами.
Доски для спинки, чтобы ребёнок мог опереться при катании на лошадке, нужно взять той же толщины, что и сидение.
При наличии должных навыков готовую игрушку можно обить поролоном и полностью обшить плюшем либо покрасить детали в яркие цвета и украсить их росписью.
Малыш, получив такой подарок, будет очень счастлив
При том не так уж важно, покупали ли вы лошадку в магазине или сделали сами
Как правильно выбрать?
Лошадка станет верным другом вашему ребёнку на несколько лет. Малыш проведёт за играми далеко не один день, представляя себя рыцарем, спешащим победить дракона, или принцессой, которая решила отправиться навстречу собственным приключениям. Учитывая, что малыш проведёт с игрушкой достаточно много времени, к её выбору необходимо подходить очень ответственно.
Материал
Деревянная лошадь — самая устойчивая, поскольку она достаточно тяжела. Ребёнку будет сложно случайно перевернуть ее и упасть, даже если он будет очень интенсивно раскачиваться на ней. Дерево является самым оптимальным материалом для игр дома.Лето — лучшее время для игр на свежем воздухе. Если вы хотите, чтобы конь качалка стал спутником малыша именно на улице — на детской площадке или на даче, лучше выбирайте пластик. Этот материал устойчив к износу, не выцветает под солнцем, не боится воды.
Пластик легко и быстро отмывается от уличной грязи — достаточно обыкновенных влажных салфеток, чтобы протереть его.
Резиновая игрушка имеет одно важное преимущество — она гипоаллергенна, что особенно важно, если малыш склонен к аллергии. Изготовлена она из прочной качественной резины, которую очень легко мыть, к тому же лошадка не будет собирать на себя пыль
На таком коне можно не только качаться, но и скакать за счёт упругости резины, что очень полезно для физического развития ребёнка.
Наиболее комфортный и красивый вариант — конь из плюша. Каркас обычно изготовлен из пластика или дерева, а вот обивка гораздо больше напоминает настоящего коня. У животного есть длинная грива и хвост, которые интересно расчёсывать и украшать. Такая игрушка — отличный подарок на день рождения или Новый год, ребёнку он запомнится надолго.
Безопасность
Конечно, качалки для детей должны быть не только красивыми и прочными, но и безопасными. Подбирая нужную модель, обязательно смотрите на этикетку, в информации на ней должен быть указан возраст ребёнка, для которого её можно использовать. Проверьте устойчивость полозьев и амплитуду качания. Если игрушка раскачивается слишком сильно, она перевернётся вместе с маленьким наездником. Особенно это актуально для пластиковых коней — они самые лёгкие.
Если у малыша аллергия, не стоит покупать игрушки с плюшевой обивкой — ворсистая поверхность будет собирать слишком много пыли
Обращайте внимание на качество лакового покрытия — маленькие дети не прочь попробовать на вкус свои игрушки, поэтому лучше не рисковать
Комфорт
Конечно же, детская качалка должна быть удобной. При покупке учитывайте размеры игрушки и рост малыша, а также длину его рук и ног. Если лошадь будет слишком большой, малыш может не дотянуться до ручек
Сами ручки, за которые он будет держаться, должны располагаться на таком уровне, чтобы ребёнку не пришлось постоянно держать свои руки выше или ниже уровня плеч — конечности будут затекать.Очень важно удобство сиденья — оно должно повторять анатомическую форму и иметь достаточно мягкую обивку. Лучше всего приобретайте качалки с высокими спинками, чтобы на них можно было опереться
Решив подарить такую прекрасную игрушку малышу, учитывайте его возраст. Дело в том, что детки младше 1,5 лет могут воспринимать ее, как живую. Для них такая лошадка из дерева с плюшевой или меховой обивкой ничем не отличается от настоящего животного и может напугать. Лучше всего не показывайте подарок с порога — отнесите его в детскую и заверните в яркую подарочную бумагу, обёртку можно дополнительно украсить воздушными шариками, бантами и лентами. Распаковывайте игрушку постепенно, так малыш будет увлечён процессом и быстро привыкнет к своей лошадке, а не испугается её вида.
Качество сборки и безопасность
Глаза и отверстие для хвоста выполняются при помощи дрели. Если вы планируете изготовить неразборную в дальнейшем конструкцию, тогда все стыки при сборке обрабатываются дополнительно клеем, предназначенным для склеивания деревянных изделий. К готовому слону прикрепите основание в сборе. Убедитесь в том, что каталка легко раскачивается и в тоже время имеет устойчивость.

Для окрашивания детских игрушек используется безопасная краска. Качалку можно покрасить в различные цвета или сделать однотонной. После двух суток, которые требуются для высыхания краски, можно приступать к нанесению бесцветного лака. Он придаст дополнительный блеск и защитит краску от потрескивания. Сборочные детали для качалки можно окрашивать как по отдельности, так и после окончательной сборки. Готовое изделие окрашивается в несколько этапов, чтобы верхняя часть и основание были полностью окрашены.
Когда детская качалка готова, остаётся зафиксировать верёвку в место крепления хвоста. Для изготовления хвоста потребуется канат такой толщины, чтобы свободно можно вставить и приклеить в ранее просверленное отверстие.

Как изготовить?
Сделать из фанеры коня не составит труда, если у вас есть готовые шаблоны для вырезания. Их можно найти на просторах интернета или же нарисовать самим.
Вот один из примеров лекал. Их можно масштабировать и распечатать или же вручную начертить на обычной газете.

Этапы работы:
- Лекало накладываем на фанеру и обводим. Чтобы лекало не сдвигалось, крепим его к фанере малярным скотчем. Вырезаем лобзиком заготовки по прочерченным линиям. Фанера или доски для головы, опор и сиденья должны быть толщиной не менее трех сантиметров для большей прочности. Делаем в них необходимые для скрепления отверстия дрелью и лобзиком, подбиваем стамеской.
- Далее, по диаметру отверстий делаем из доски палочки для соединения деталей.
- Все элементы нужно обработать наждачной бумагой. Сначала взять крупнозернистую, чтоб убрать все неровности, затем мелкой отшлифовать шероховатости до гладкого состояния. Неплохо будет воспользоваться фрезером, чтобы скруглить все углы лошадки.

- Собираем детали в соответствии с чертежом, промазывая все соединения столярным клеем. Нижние опоры лучше скрепить саморезами, при этом нужно вкручивать их максимально глубоко, чтобы ребенок не поранился. Можно сверху их промазать клеем.
- Далее, по желанию можно покрыть лошадку лаком, нарисовать узоры, сделать хвостик. Дождавшись полной просушки, можно начинать эксплуатацию изделия. Также для большего комфорта можно продеть удила лошадке и сделать мягкое седло при помощи поролона или толстой ткани.


Люлька-качалка в виде сиденья или кроватки создается подобным образом. Единственное, чем усложняется задача – большое количество деталей:
- Для лучшего скрепления и минимального разбалтывания деталей лучше использовать саморезы. Под сидушкой нужно провести струбцины от одной боковины к другой, что обезопасит от проваливания и придаст крепость каркасу.
- При изготовлении качалки для маленьких деток дополните ее спинкой и бортиками. Обязательно должны быть опоры для рук и ног. Причем опоры для рук должны быть круглые, чтобы малышу было удобно держаться.
- В общей сложности изготовление поделки своими руками обойдется в 1000 рублей, что является хорошей экономией в сравнении с магазинными ценами.


Детская качалка, выполненная своими руками, несомненно, станет любимой игрушкой вашего малыша. Ведь вещь, сделанная с любовью и заботой, ценится гораздо выше магазинных изделий. Безопасность и красота изделия будут на самом высоком уровне, ведь для своего ребенка не поленится ни один любящий родитель.




О том, как сделать качалку для ребенка своими руками, смотрите в следующем видео.
Моделирование игрушки
Лошадка-качалка, несмотря на свою популярность, имеет небольшое количество готовых чертежей. Ведь сейчас проще приобрести готовую модель за крупную сумму, нежели изготовить самостоятельно и создать уникальную игрушку.
Если предпочтение отдано второму варианту, то необходимо серьезно задуматься о моделировании конструкции. Для этого можно использовать специальные компьютерные программы. Но проще и удобнее все же набросать чертеж на листе бумаги, а потом создать собственный шаблон.

С его помощью можно будет перенести контуры деталей на фанеру или вырезать необходимые элементы конструкции из неструганных досок (их толщина должна быть не менее двух сантиметров, иначе прочность качалки будет недостаточной).
Качалка-лошадка должна иметь соответствующую отделку. В этом вопросе практически нет ограничений. Главное — чтобы она выглядела натурально и не раздражала глаза ребенка.
Простейшая качель
Простейшую качель тоже можно подвесить на толстой ветке, но лучше для этого сделать перекладину с опорами. Конструкция опор будет описана в конце этой статьи.

Простая качелька с мягким сидением
Сиденье представляет собой квадратную или прямоугольную доску, подвешенную за четыре угла. Можно использовать фанеру. Недалеко от углов в сиденьи сверлятся четыре отверстия, в которые пропускается канат или рым (у рыма вместо головки находится кольцо); если рым не используется, то канат можно пропустить через отверстие и завязать узлом (толщина его должна быть равна диаметру отверстия), таким образом закрепив доску на нём. Если используется рым, то вместо каната может быть взята цепь, которая прицепляется к рыму карабином.

К сиденью можно прикрепить на металлические уголки спинку, сделанную из той же фанеры. Другой вариант спинки (подходит для маленьких детей) показан на фото 2. На верёвки надеваются трубки из дерева длиной до 30-40 см (одинаковой длины!), после чего на каждые две соседние верёвки надевается палочка-перекладина с просверленными отверстиями по краям. Такая конструкция, несмотря на простоту изготовления, достаточно удобна, безопасна и будет служить долгое время.

Особенности
Кресло- представляет собой фигуру, раскачивающуюся за счет специально скругленной основы. Фигурка может быть любой: лошадка, слоник, люлька, просто стульчик и любое животное, которое может прийти в голову. Раньше такие состояли из деревянной основы, что было не очень удобно, ведь твердость не позволяла расслабиться. Сегодня каркас обшивают мягкой тканью, набивают поролоном или губкой. Получается целое кресло-качалка – удобное и комфортное, полноценно замещающее ребенку место для сидения.


Польза качалки велика. Это не просто игрушка для ребенка, на которой он может развлекаться, но и хороший способ для развития координации движений и удерживания равновесия. А благодаря эффекту маятника, она расслабляет и успокаивает чадо. Не зря ее рекомендуют врачи для профилактики заболеваний опорно-двигательной системы. Также такая простая игрушка спасет ваши табуретки и стулья от раскачиваний и поломанных ножек, поцарапанных полов.















































