Уголок из ДСП
Такая мебель состоит из трех частей: двух диванов разной длины и соединительной части. Для изготовления потребуется такой набор инструментов и материалов:
- электролобзик для распила листов ДСП;
- металлические соединительные уголки;
- самоклеющаяся пластиковая лента для торцов деталей из ДСП;
- столярный клей;
- карандаш или маркер для отметок;
- дрель и сверла;
- ножницы;
- шканты для фиксации стенок;
- конфирматы;
- петли для сиденья;
- пластиковые ножки для установки уголка на пол;
- степлер для фиксации обивки к ДСП;
- линейка или рулетка;
- молоток, шуруповерт.

Для оформления кухонного уголка выбирают стойкие материалы, устойчивые к влаге: синтетику, микрофибру или кожзаменитель. Самыми популярными наполнителями считают поролоновую или пенополиуретановую основу. Второй материал эластичнее и долговечнее, но стоит на порядок дороже.
Сбор длинного дивана
Эта часть мебели состоит из спинки, сиденья, ниши и боковин. Для деталей с обивкой берут листы шлифованной ДСП. Для остальных частей используют ЛДСП.

Сборку корпуса дивана выполняют по инструкции:
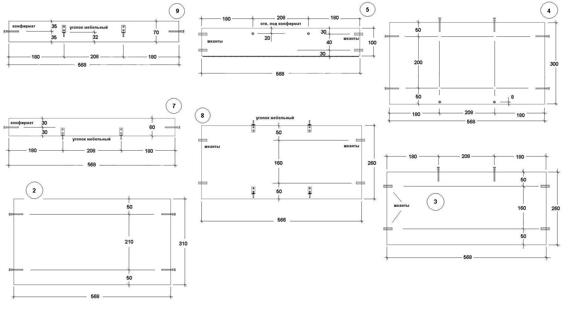
- Размечают боковины и вырезают по чертежам в двух экземплярах. Отмечают и высверливают места для конфирматов и шкантов.
- Аналогично подготавливают остальные части дивана по схеме.
- Шероховатые торцы ДСП оклеивают пластиковой лентой, устраняют неровности и острые углы.
- К торцам со стороны пола прибивают пластиковые ножки или фиксируют саморезами.
- Соединяют части ниши и фиксируют между собой конфирматами.
- К стенке ниши крепят планку сиденья с петлями. Они обеспечат возможность поднимать сиденье и использовать внутреннее пространство для хранения. Устанавливают сиденье.
- Нижнюю и верхнюю упорные планки соединяют металлическими креплениями со спинкой.
- Все части дивана соединяют с боковинами шкантами. После проверки правильности выполнения работы детали скрепляют конфирматами.
Чтобы сиденье и спинка были мягкими и удобными, выполняют обивку. Для этого ножницами или ножом вырезают два полотна поролона. Для спинки режут по размерам заготовки по длине и запасом в 4 см по ширине. Сиденью нужен небольшой заступ на 2 см для загиба у края. Запасные части поролона закроют торцы с лицевой стороны, и углы будут мягкими. Наполнитель крепят к ДСП клеем.
Ткань кроят с запасом, чтобы закрепить на изнаночной стороне плиты. Материал фиксируют степлером на одной длинной стороне, слегка натягивают ткань и крепят ее скобами по противоположной части. Затем ткань выравнивают и закрепляют по коротким сторонам. Натяжка должна быть равномерной, без видимых перепадов.
Сбор короткого дивана

Процесс работы повторяет предыдущий этап, но по отдельным чертежам. Боковины короткой и длинной частей совпадают по размерам.

Угловая часть

Соединительный элемент играет важную роль, так как делает из двух мягких диванов полноценный кухонный уголок.
На листе ДСП размечают заготовки для планок-упоров и спинки, основу для сиденья, боковины части.

Основные этапы работы по сборке заключаются в следующем:
- Соединяют между собой боковины и центральную часть.
- Упоры крепят металлическими уголками к боковинам.
- Выполняют обивку сиденья.
- Соединяют все детали между собой.
Для окончательной сборки мягкого уголка необходимо соединить диваны с угловой частью конфирматами. Проверяют точность сборки и надежность всей конструкции.
Варианты конструкций
- с полным выдвижением. Когда вы открываете такой шкафчик, полки выезжают полностью, и корпус остается абсолютно пустым. Для такого варианта понадобится определенное свободное пространство — чтобы корзинам или полкам было куда выдвигаться, поэтому рекомендуется для просторной кухни;
- с частичным выдвижением. Это также распространенный и практичный вариант. Полки, прикрепленные к фасаду, выкатятся полностью, а внутренние — наполовину, но останутся в шкафу. Это позволит сэкономить часть помещения, при этом вы сможете добраться до предметов, расположенных во внутренней корзине;
- карусель. Интересный вариант, когда при открытии дверцы полки не выдвигаются, а крутятся вокруг своей оси, как на витрине. Таким образом удобно хранить круглые предметы: кастрюли, банки, тарелки. Иногда в таких шкафчиках дверца отсутствует, что прибавляет интерьеру немного изящности. Конечно, хранят на такой открытой карусели не кастрюли, а бокалы или фужеры. Максимальное количество полок — три;
- комбинированный. Сочетание разных видов секций, например, одна полка выезжает, а другая — поворачивается вокруг своей оси;
- вертикальный. Самый компактный вариант, который можно разместить в узком высоком стеллаже. Вертикальные полки делают между шкафами, рядом с холодильником или стеной. Здесь удобно хранить банки со специями, маслами, крупами и т.п.
В зависимости от способа крепления:
- система крепится к дверце шкафа;
- система крепится к корпусу шкафа.
Хоть разные конструкции и выполнены все из хромированной стали, но выглядеть внешне могут все абсолютно по-разному. Например, если волшебный уголок будет висеть над мойкой, то можно подобрать узкие корзины, а дверцу сделать из стекла. В таком варианте содержимое будет играть и роль декора. В первый ряд можно поставить красивые баночки со специями.
Да и сам по себе вертикальный волшебный уголок выглядит абсолютно иначе, если сравнивать его с аналогами.

Проект уголка на кухню
Пошаговые инструкции кухонного уголка своими руками заключаются в описании таких этапов:
- Подготовительный этап. Определяется тип и габариты уголка, составляются подробные чертежи и схемы. Подготавливается рабочее место и необходимый инструмент.
- Заказ распила в мебельном цеху, закупка фурнитуры, крепежных элементов, материала для обивки.
- Разметка, вырезание фигурных деталей, поклейка ленты, засверливание и сборка каркаса уголка.
- Обивка дивана.
- Соединение собранных модулей.
Чтобы сделать мягкий уголок своими руками вначале необходимо составить чертеж. Начинают проектирование с выбора места на кухне, в котором разместится угловой диван. По нему определяются размеры и конфигурация будущего уголка:
- Длина и глубина секций.
- Расположение короткой части дивана относительно длинной.
- Высота по верхнему краю спинки.
- Тип соединения секций в конструкции: монолитный или модульный.
- Материал для каркаса и обивки.
Выбор размера мягкого уголка должен исходить из метража вашей кухни
Просматривая чертежи углового дивана для кухни своими руками, не рекомендуется выбирать конструкции без отдельного углового модуля. Соединение боковых диванов при помощи одной угловой седлушки мебельными уголками ненадежное. Низкая прочность такой конструкции не оправдывается экономией материала в виде отсутствия двух стоек. Модульная конструкция более надежная, ее можно быстро переставить во время уборки. Такой диван легко меняет конфигурацию с правосторонней на левостороннюю. Модульные кухонные уголки можно расположить углом или в одну линию.
Определяя длину и ширину уголка, учитывают площадь кухни, расположение мебели и бытовых приборов. Ширина прохода, который получится после нанесения контуров дивана на план кухни, должна составлять не меньше 60 см в самом узком месте.
Чертежи кухонного дивана своими руками, предлагаемые в интернете, послужат ориентиром по деталировке данного типа углового дивана. Размеры, указанные в чертежах, пересчитываются в зависимости от выбранных параметров нового уголка.
Схема монтажа уголка и приблизительный подсчет необходимой фурнитуры, необходимой для скрепления конструкции
Неизменными остаются только размеры, стандартные для всех типов угловых диванов на кухню:
- Высота сидения — 45см;
- Глубина сидения – 50см;
- Длина короткого и длинного диванчиков – 120 и 200см;
- Высота по верхнему краю спинки – 85-95см.
Кухонные уголки для кухни изготавливают из ламинированного и шлифованного ДСП толщиной 16 мм. Для обработки торцевой части заготовок используют кромку АБС. Деталировка каркасов обоих диванов одинаковая:
- Передняя панель нижнего ящика – 1 шт.
- Стойки боковые – 2 шт.
- Дно ящика – 1 шт.
- Задняя стенка ящика – 1 шт.
- Верхняя планка ящика – 1 шт.
- Сиденье – 1 шт.
- Спинка – 1 шт.
- Опорные планки для спинки -2 шт.
Дно, задняя стенка ящика и седлушка изготавливаются из чернового ДСП.
Чтобы кухонный мягкий уголок своими руками внешне ничем не отличался от фабричного продукта, домашние мастера пользуются услугами раскроя ДСП. Станки для раскроя листового ДСП имеются в каждой мебельной мастерской. Помимо распила для собственных нужд, они выполняют заказы для населения. Мастер дома составляет подробные чертежи углового дивана на кухню своими руками и выписывает все его детали. Далее на фирме технолог вносит размеры в программу, которая составляет карту раскроя и просчитывает количество листов ДСП. Попутно выдается общее количество погонных метров распила, которое соответствует метражу торцовочной ленты. Единственное, что придется резать дома – это фигурные детали. В подаваемый список фигурные детали заносятся в виде прямоугольных заготовок.
Фигурные детали вырезаются лобзиком
За отдельную плату на фирме предложат порезать и фигурные детали и поклеить на все заготовки торцовочную ленту. Чтобы уменьшить количество надомной работы, рекомендуется воспользоваться и этой услугой. Поклейка АБС ленты на станках намного качественней, чем ручное приклеивание бумажной ленты. В этом случае мастеру не придется дома фрезеровать детали и изготавливать для этого шаблоны.
Как правильно составить чертеж кухонного уголка самостоятельно
При выборе модели кухонного уголка своими руками отталкиваются, прежде всего, от желаемых размеров и собственных возможностей в изготовлении. И, конечно же, наличия материалов, инструмента и навыков работы.
Как определиться с размерами кухонного уголка
При планировании любой мебели стоит ориентироваться на ее практичность и уместность
При составлении чертежа кухонного уголка важно четко представлять, сколько человек на нем можно разместить. Также его габариты должны соответствовать размерам обеденного стола
Общие рекомендации:
- Одному человеку для комфортного сидения за столом требуется порядка 50-60см. Поэтому нету смысла делать одну сторону кухонного уголка, например, 90см. Двоим там будет тесно, а для одного это многовато.
- Для малогабаритных кухонь делать мягкий уголок своими руками – не лучшее решение. Дело в том, что своей глубиной он «выдвинет» обеденный стол примерно на 50-60см в центр. Правильно оцените ширину проходов после этого – они должны быть не менее 1-1,2м для комфортного передвижения хозяйки во время готовки.
- Самые компактные кухонные уголки – это Г-образные. Пятистенный угловой элемент довольно объемный и не даст задвинуть поглубже стол, если требуется освободить место на кухне (когда кухонным уголком не пользуются).
- Размеры обеденного стола и обеденной зоны в целом также определяют габариты кухонного уголка. Например, для стола 800х600 оптимально сделать кухонный уголок своими руками с габаритами около 1,4х1,2м от угла, а для стола 1200х600 – 1,8х1,2м соответственно. В приведенном ниже примере расчета деталей вы поймете, почему.
Из каких материалов лучше сделать кухонный уголок своими руками
Каркас кухонного уголка можно сделать из любых подручных материалов. Это может быть деревянный брус, ламинированное ДСП, мебельный щит и другие материалы, с которыми мастеру удобнее работать.

В основном для обивки кухонных уголков подбирают нетканые материалы в виде флоков и велюров на клеевой основе, жаккардов с водоотталкивающим покрытием и различных кожзаменителей (эко кожа, замша и др.). Они легко чистятся.
При выборе рекомендуем не брать кожзаменители с гладкой и лаковой поверхностью – в домашней одежде открытые части тела будут «прилипать», что не доставляет комфорта. Также убедитесь, что материал не склонен к намагничиванию. Иначе все крошки, шерсть домашних животных будет сложно убрать, смахнув, без намачивания.
Как составить чертеж выбранной модели и рассчитать детали
После того, как определились с внешними габаритами кухонного уголка, можно начинать рисовать его более детально, в масштабе.
- Высота сидений для стульев, лавок к простому обеденному столу составляет 450мм. Для пожилых людей, детей ее можно уменьшить до 400-420мм.
- Глубина сидений во многом определяет комфорт. Обычно ее делают в пределах 350-400мм. Спинка кухонного уголка, не доходящая до сиденья, позволяет сесть «поглубже» — именно поэтому компактные модели с укороченными спинками и узкими сиденьями довольно удобные и комфортные для сидения.
- Короб под сиденьем не стоит делать глухим до пола и строго вертикальным, будет неудобно сидеть. Многим людям свойственно задвигать ноги под стул во время сидения, особенно если за обеденным столом сидят по обе стороны – глубины столешницы зачастую не хватает для выдвинутых ног. Поэтому короб под сиденьем кухонного уголка также делают скошенным, как и спинку. Либо оставляют полым пространство.
- Высота спинки кухонного уголка подбирается из личных предпочтений. С практичной точки зрения ее можно сделать и вровень со столешницей обеденного стола, если допускает дизайн интерьера кухни. Обычно ее делают чуть выше, порядка 850-900 от пола.

Таким образом, стандартный кухонный уголок с легким наклоном спинки обычно имеет глубину около 500мм от стены. С учетом места для сидения шириной 500-600мм для каждого человека, симметричный кухонный уголок для трех человек будет иметь габарит порядка 1000х1000мм, 1500х1500мм для четырех и пяти человек.
Наиболее популярные кухни
Кухонных гарнитуров в наше время изготавливается и продаётся великое множество. И нужно в этом переизбытке товара сделать свой правильный выбор.
Наиболее продаваемыми на сегодняшний день являются кухни:
- Флора;
- Прованс;
- Касторама.
Они завоевали популярность среди потребителей благодаря своей функциональности, эстетике и практичности. Эти кухни рассчитаны на любую кухню. Исходя из этого, их выпускают самых различных типоразмеров. То есть, они подойдут как для огромной квартиры, так и для маленькой «хрущёвки».
Под названием «Флора» выпускаются ещё и очень удобные стенки.
Наиболее популярные цвета: изумруд, фисташка, шоколад и др.
В заключение нужно подвести итоги сказанному. Если что-то всё же не совсем ясно по сборке этой мебели, лучше заглянуть в прилагаемую инструкцию или схему сборки — так вы сэкономите время и будете избавлены от переделок.
Originally posted 2018-03-03 06:02:26.
Материалы для обивки
Замена одной обивки другой должна производиться не спеша, с четким пониманием того, какой материал должен быть использован для мебели. Магазины тканей могут предоставить огромный выбор всевозможных вариантов в различной цветовой гамме, поэтому проблем с тем, чтобы выбрать наиболее подходящую обивку, не будет.
Для перетяжки кухонного уголка можно использовать такие текстильные материалы, как:
Гобелен
Материал с хорошими показателями плотности и износостойкости, поэтому он является наиболее популярным вариантом для обивки мебели; изделия в гобелене будут оставаться красивыми долгое время, а наличие разнообразных расцветок и дизайна позволит подобрать обивку для любой кухни.


Велюр
Материал имеет неплохие показатели прочности, поэтому служить будет также довольно долго, по структуре у велюра есть небольшой и плотный ворс, благодаря чему мебель выглядит стильно и очень красиво, а на ощупь и при использовании очень приятна; из минусов можно отметить стирание волосков и постепенное ухудшение внешнего вида обивки.


Флок
Качественный и плотный материал, который хорошо подойдет для обивки кухонного уголка благодаря своей износостойкости и водостойкой пропитке; она делает легкой процедуру уборки любого мусора и пятен с поверхности мебели.


Жаккард
Материал, который красиво и стильно выглядит, но для кухни менее всего подходит, так как быстро изнашивается и плохо очищается от пятен.

Мебельная ткань выглядит красиво, недорого стоит и удобна в эксплуатации, кроме того, работать с ней во время смены обивки будет несложно. Если есть желание сделать что-то более экстравагантное и дорогое, то хорошим вариантом будет обтяжка кожзаменителем. Можно использовать различные материалы.
PU кожа
Ее показатели весьма напоминают натуральную кожу благодаря прочности, устойчивости к стиранию, мягкости, эластичности и термостойкости, что обеспечивает красоту и долговечность обивки на кухне.

MF кожа
Считается более дорогим материалом, так как он еще больше похож на натуральный аналог, такая обивка будет прочной, устойчивой к механическому воздействию и сможет отталкивать влагу; использование такого материала для обивки кухонной мебели вполне обосновано, так как можно легко удалить любые загрязнения и воду, а эксплуатация будет весьма комфортной за счет дышащих микроволокон, из которых состоит MF кожа.


Экокожа
Производится на основе полиуретана, поэтому получается эластичным, гипоаллергенным, безопасным и мягким на ощупь.


PVC кожа
Используется чаще всего, так как стоит дешевле других вариантов; по характеристикам этот материал также хорош, поскольку он является эластичным, прочным, может драпироваться, за ним легко ухаживать, но в процессе использования он может выделять вредные пары, поэтому лучше всего подобрать любой другой вариант.


Обивка кухонного уголка дермантином может помочь сделать мебель стильной и современной, а также максимально упростить уход за ней. Если есть желание выбрать наиболее долговечную и качественную обивку, то лучше всего остановиться на натуральной коже. Этот вариант материала является наиболее дорогим. Необходимо правильно ухаживать за ним, чтобы сохранить исконный внешний вид, но в итоге можно получить шикарную мягкую мебель на кухне, которая будет служить долгие годы и никак не изменит свой внешний вид.
Выбирая натуральную кожу, нужно знать, что ее нельзя ставить около источника тепла: батарей, печки, духовки, иначе внешний вид материала начнет очень быстро портиться
Ухаживая за новой обивкой, важно использовать только специализированные моющие средства, которые не нарушат целостности покрытия и не навредят ему. Эксплуатируя мебель, обитую натуральной кожей, нужно следить за тем, чтобы на нее не падали ножи и вилки, а также не допускать на мягкую мебель домашних животных, которые могут когтями повредить целостность изделия

Место для отдыха
Приобретение небольшого по длине и сантиметрам, узкого диванчика или кушетки сделает из помещения больше, чем просто кухню. Это станет местом, где гости могут уютно устроиться и поговорить за чашечкой чая, местом, где всегда можно прилечь и расслабиться. Кроме того, при необходимости, такая кушетка может стать и дополнительным спальным местом. Кушетка может быть складной, может содержать встроенные ящики для хранения, что позволит вам освободить некоторое пространство в доме. Такое место для отдыха станет хорошим дополнением вашей кухни.
Кушетка
Кушетка на кухне это необязательно неудобный тапчан.
Кушетки – это отличный вариант дополнения кухни. Такие мебельные элементы сочетают в себе удобство и компактность. С помощью кушетки вы создадите не только место для отдыха на кухне, но и обеспечите дополнительные места за столом и являются отличной .
Подобные кушетки напоминают собой небольшой, но удобный . В зависимости от стиля оформления вашей кухни, вы можете приобрести как кушетки, выполненные из дерева, так и пластиковые образцы. Материал сидения, так или иначе, будет мягким. При выборе такой мебели обязательно присмотритесь к обивке. Наилучшим образом подойдёт обивка из кожи или кожзаменителя. Такой материал легко поддаётся чистке, в отличие от дорогостоящих обивок. Ведь на кухне изделие всегда подвержено риску испачкаться.
Виды
Кушетки для кухни бывают самого разнообразного вида. В первую очередь, следует отметить их классификацию по размерам. Они бывают большие, средние и маленькие. Поэтому, в зависимости от габаритов вашей кухни, можно подобрать подходящее изделие. Другая классификация подразделяет кушетки на прямые и угловые. Прямые кушетки больше подходят для более широкого пространства. Что касается угловых кушеток, то они более компактны и рассчитаны на меньшее пространство. В угловой части изделия есть удобная полка, подходящая для растения или салфетницы. Кроме того, такие кушетки оборудованы внутренними , что также удобно для кухни. Прямые смогут послужить спальным местом, в отличие от угловых.
Более широкая классификация по видам кушеток подразделяет их на:
- кушетки с/без подлокотника;
- с/без спинки;
- на тонких/толстых ножках;
- кушетки мягкого типа (полностью обитые тканью) / кушетки с металлическим каркасом;
- кожаные кушетки;
- кушетки с выдвижными ящиками.
Для небольших кухонь отличным решением станут раскладные кушетки. Днём они будут использоваться как место для посиделок, а ночью могут трансформироваться в спальное место.
Материалы для обивки
Что касается конкретных материалов, всё зависит от вашего бюджета. Лучше всего использовать натуральное дерево (массив сосны или бука). Но, если средства не позволяют, то подойдёт и ДСП. Выбор набивного материала также зависит от суммы, которую вы готовы потратить. Традиционным и довольно дешёвым вариантом всегда является поролон. Читайте о преимуществах столешницы из массива дуба по .
Создание кушетки – процесс нетрудный. Здесь необязательно быть профессионалом. Главное – это составить план и подобрать качественные материалы.
Интересные идеи: раскладные, малогабаритные, узкие кушетки
Кухонные кушетки могут не только добавить дополнительное посадочное место, но и послужить местом для сна. Существует большое количество вариантов кушеток с такой функцией:
- В основном в качестве спального места используются прямостоящие раскладные кушетки. Они могут быть разнообразных видов. Существует большое количество кушеток с передней и боковой спинками, выполненными из дерева. Дополнительно изделие может быть укомплектовано мягкими элементами под голову и бок.
- Существуют кушетки, выполненные на основе металлического каркаса и обитые натуральной или экологической кожей.
- Кушетка также может быть создана и без подлокотников и иметь только заднюю спинку. Это помогает облегчить конструкцию изделия.
- Подлокотники линейных кушеток выполняются как из дерева, так и из мягких элементов (набивка, обшитая кожей). Такой дизайн добавляет комфорта и удобства мебельному элементу.
Как сделать кушетку смотрите видео мастер класс:
Мастерим сами
Как правило, стандартный кухонный уголок с «пустым» углом состоит из 3 отдельных модулей: два дивана (один длинный, второй короткий) и соединительного уголка. Обеденная зона может быть дополнена столом, стульями, табуретами, пуфиками и навесными полочками. Но речь сейчас не об этом.
Перед тем как научиться делать кухонные уголки своими руками, проделайте следующее:
- Определитесь с шириной и длинной будущего изделия. Лучше нарисовать схему конфигурации на бумаге. Учтите, уголок должен подходить по размеру к полу, стене и всем приборам на кухне.
- Подберите оптимальную высоту для всех членов семьи. Для этого можно замерить любой удобный стул и сделать высоту уголка (от пола до сиденья) аналогичной.
- Подготовьте комфортное место для работы, необходимые материалы и инструменты.
Итак, переходим непосредственно к изготовлению. Для удобства, мы разбили все этапы работ, чертежи, параметры и советы по частям (модулям).
Первый модуль – длинный диванчик
Мы взяли следующие размеры:
- Высота – 80 см;
- Длина – 100 см;
- Глубина – 40 см.

Пошаговые инструкции сборки:
Боковины – основные несущие детали. В первую очередь нужно осуществить разметку деталей под фрезеровку.
Необходимый набор деталей для фрезерования (на фото красными точками обозначены места сопряжения радиусов при переходе кривых линий):
- Внутренняя – радиус 300 мм;
- Наружная – радиус 30 мм;
- Наружная – радиус 600 мм;
- Внутренняя – радиус 150 мм;
- Внутренняя – радиус 30 мм.
Все эти шаблоны (детали) можно без проблем сделать на одном куске фанеры размером 650×400 мм.
Боковины фрезеруются из ламинированного ДСП и оклеиваются по контуру кромкой АБС 2 мм. На нижние торцы при помощи саморезов прикручиваются мебельные подпятники 4×30 мм (узнайте также ).
Лицевая часть ниши. Используемый материал – ламинированное ДСП 16 мм (толщина). Наклон лицевой части = 10°. Данную деталь уголка можно оклеить и обычной бумажной кромкой, так как нагрузки на кромку во время эксплуатации почти нулевые. Все остальное видно на чертеже.
Дно ниши. Используемый материал – шлифованное ДСП 16 мм. Чертеж также прилагается.
Стенки ниши. Используемый материал – шлифованное ДСП 16 мм.
Планка сидения. Используемый материал – ламинированное ДСП 16 мм. Необходима для закрепления подъемного сиденья с применением рояльной петли. Данная деталь держится на шкантах.
Упорная планка для спинки. Используемый материал – шлифованное ДСП 16 мм.
Спинка. Материал тот же, что и в предыдущем пункте. Данная деталь в последствие обтягивается поролоном и тканью, поэтому ее размер (длина) уменьшена на пару миллиметров. Как правило, спинка зажимается на шкантах между боковин, а также фиксируется уголками к упорной и верхней планке. Сами уголки крепятся на саморезы 4×16 мм.
Красивый кухонный уголок “Этюд” со спальным местом
Кухонный уголок – привлекательный элемент кухонного интерьера, позволяющий сэкономить место и собраться на малометражной кухне всей большой семьей. Человечество использует кухонные уголки со времен эпохи постмодернизма. Несмотря на большой ассортимент кухонной мебели в современных магазинах, не всегда можно найти подходящую. Но это не проблема для человека, владеющего элементарными плотницкими навыками. Кухонный уголок своими руками – это возможность иметь мебель, которая идеально подходит по стилевому решению и функциональным возможностям, без больших финансовых вложений.
Мягкий кухонный уголок из кожзама с выдвижными ящиками для хранения
Мягкий кухонный уголок необычной формы
Кухонные уголки популярны благодаря нескольким их свойствам:
- Компактность. Они позволяют сэкономить площадь, что является главным плюсом для кухни небольшой площади, совмещающей кухню и столовую.
- Функциональность. Угловой диван для кухни может содержать ящики для размещения вещей, запаса продуктов или посуды, овощей.
- Комфорт. Разместиться за столом сможет большая семья или компания.
- Большой выбор вариантов. Существует множество разных конструкций. Выбрать и собрать своими руками можно уголок, подходящий по размерам, стилю, отделочному материалу.
- Дешевизна. Кухонный уголок, изготовленный самостоятельно, всегда будет стоить дешевле, чем купленный в магазине.
Деревянный уголок для кухни, изготовленный своими руками








































